Aksiyal Fanlı Paket Soğutma Kulesi Önc - 19

8.8 min m3 14.3 max

SICAK SU DAĞITIM SİSTEMLERİ

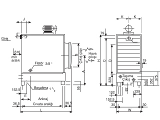
Sıcak galvaniz veya epoksi boyalı çelik kontrüksiyonlu tabii akışlı, üstü kapalı, taşma tertibatlı su dağıtım sistemi ile minimum pompolama basıncı ve uzun işletme ömrü temin edilmiştir. Tabii akışlı su dağıtımı özel şekilde dizayn edilmiş poliproplen fıskiyelerle yapılmaktadır.

HAVA GİRİŞ PANCURLARI
Sıcak galvaniz veya epoksi boyalı sac levhaladan yapılmış olan hava giriş pancurları: hava akımı üniform olarak düzenleyecek şekilde dizayn edilmiş ve buzlanma problemi minimuma indirilmiştir.
 

BALIK SIRTI SEPARATÖR
Plastik polistiren imal edilen separatörlerin havayı iyi yönlendirmeleri nedeniyle fandan düşük güç çekilmesi sağlanır.
Kontrol ve bakımları kolaydır. Separatör çift geçişli olarak monte edildiklerinden hava içindeki suyu gayet iyi şekilde tutarlar. Sürüklenme kaybı %02’nin altındadır. Separatörler özel olarak PVC’den yapılabilir. Plastik dolgu polistiren plastikten mamul yüksek performanslı dolgu, su-hava temasını maksimum seviyede tutacak şekilde özel olarak dizayn ve imal edilmiştir. Özel istek üzerine PVC’den de yapılabilir.
 

KULE GÖVDESİ
Dizayn ve konstrüksiyonu, azami mukavemeti ve kolayca taşınabilmesini sağlayacak niteliktedir. Kule gövdesi, havuzlar ve üst gövdeden ibarettir. Standart olarak paslanmaya karşı epoksi boyalı ve özel istek üzerine sıcak galvanizli çelikten imal edilmiştir.
 

FAN
Kuleler için özel şekilde dizayn edilmiş; sessiz, statik ve dinamik olarak tam balanslı, korozyona dayanıklı malzemeden imal edilmektedir.
Üç 19 tipine kadar ( üç on dokuz tipi hariç) direkt akuple, diğer tiplerde kayış-kasnak tertibatıyla tahrik edilmektedir.
 

FAN KORUYUCU
Yabancı maddelerin girmesine mani olacak şekilde yuvarlak profilli demirden aerodinamik yapıda hatveli fan koruyucusu sökülebilir tipte imal edilmektedir.
 

FAN SİLİNDİRİ
Havanın fana kolayca girişini, dolayısıyla kulenin verimli çalışmasını temin edecek şekilde dizayn edilmiştir.
 

SU FİLTRESİ
Tulumbalara gidecek suyun yabancı maddelerde temizlenmesini sağlamak üzere havuz emişine monte edilmiştir.
 

GİRİŞ ÇIKIŞ BRAŞMANI
Sıcak su girişi üst havuza, soğuk su çıkışı alt havuza monte edilmiştir.
 

ARMATÜRLER
Buharlaşma ve sürüklenme kayıplarını karşılayabilicek besleme flatörü ile taşıma ve tahliye irtibatlarından ibarettir.